Nhôm định hình là vật liệu quan trọng trong nhiều ngành công nghiệp hiện đại nhờ vào độ bền, tính linh hoạt, và khả năng chống chịu tốt trước các điều kiện khắc nghiệt. Kích thước nhôm định hình rất đa dạng, từ những loại nhỏ gọn như 10×10, 20×20 đến những loại lớn hơn như 50×100, 80×80. Sự đa dạng này đáp ứng nhu cầu của các hệ thống máy móc, khung băng tải và nhiều ứng dụng khác. Bên cạnh đó, nhôm định hình được nhập khẩu từ các quốc gia có uy tín về chất lượng mang lại sự an tâm về mặt kỹ thuật cho người sử dụng. Qua đó, việc lựa chọn kích thước phù hợp không chỉ giúp tối ưu hóa hiệu suất mà còn đảm bảo an toàn cho các hệ thống vận hành.
I. Giới thiệu chung về nhôm định hình

Nhôm định hình đã trở thành vật liệu không thể thiếu trong nhiều ngành công nghiệp nhờ vào đặc tính bền bỉ, dễ gia công và khả năng ứng dụng đa dạng. Sự phát triển không ngừng của các hệ thống máy móc hiện đại đã tạo ra nhu cầu ngày càng lớn về nhôm định hình với nhiều kích thước khác nhau. Từ các hệ thống băng tải nhỏ, đến khung máy móc chịu tải trọng nặng, nhôm định hình mang lại giải pháp hiệu quả, tiết kiệm chi phí và dễ dàng lắp ráp.
Nhôm định hình có các đặc tính cơ học vượt trội, bao gồm độ bền cao, chống mài mòn và khả năng chịu lực tốt. Ngoài ra, các sản phẩm nhôm định hình còn được nhập khẩu từ những quốc gia uy tín như Đài Loan, Trung Quốc, đi kèm với các chứng chỉ chất lượng và bảo hành sản phẩm đầy đủ. Điều này giúp nhôm định hình trở thành vật liệu ưu việt trong các lĩnh vực như cơ khí, điện tử, xây dựng, và nhiều ngành công nghiệp khác.
Xem thêm: Phụ kiện nhôm định hình – Giải pháp tối ưu cho các ứng dụng cơ khí hiện đại
II. Các kích thước nhôm định hình phổ biến

Có nhiều kích thước nhôm định hình khác nhau, mỗi loại đều được thiết kế để phục vụ các nhu cầu cụ thể. Dưới đây là những kích thước phổ biến nhất của nhôm định hình, được sử dụng rộng rãi trong nhiều ngành công nghiệp.
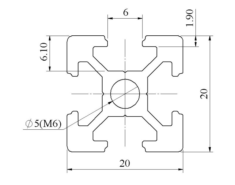
1. Kích thước nhôm định hình 20×20
Nhôm định hình 20×20 là một trong những loại nhôm nhỏ gọn và linh hoạt nhất. Được nhập khẩu chủ yếu từ Đài Loan, loại nhôm này thường được ứng dụng trong các hệ thống băng tải mini, khung cửa lưới, hoặc khung băng tải nhỏ với khả năng chịu lực không quá lớn. Với kích thước nhỏ, nhôm định hình 20×20 dễ dàng trong việc cắt theo yêu cầu và lắp ráp theo những cấu trúc phức tạp.
Loại nhôm này là lựa chọn hoàn hảo cho các dự án có yêu cầu về sự gọn nhẹ, dễ thao tác và tiết kiệm chi phí.
2. Kích thước nhôm định hình 20×40
Nhôm định hình 20×40 là loại phổ biến nhất và được ứng dụng rộng rãi trong việc làm khung chịu lực cho toàn bộ hệ thống. Kích thước này mang lại độ cứng và khả năng chịu tải tốt, với ứng dụng phổ biến nhất là làm khung băng tải công nghiệp loại nhỏ có khả năng chịu tải từ 15-20 kg.
Với thiết kế chắc chắn, nhôm định hình 20×40 phù hợp cho những hệ thống yêu cầu độ bền cao, đảm bảo an toàn và độ ổn định trong suốt quá trình vận hành.
3. Kích thước nhôm định hình 40×80
Nhôm định hình 40×80 có kích thước lớn hơn, chuyên được sử dụng cho các chân đế chịu lực hoặc khung máy móc công nghiệp. Với cấu trúc chắc chắn, loại nhôm này có thể chịu tải trọng từ 20-30 kg, giúp đảm bảo tính ổn định và chịu lực cho toàn bộ hệ thống.
Nhôm định hình 40×80 đặc biệt phù hợp với các hệ thống khung máy lớn, yêu cầu tải trọng nặng và vận hành ổn định trong thời gian dài.
4. Kích thước nhôm định hình 60×60
Nhôm định hình 60×60 được thiết kế với mục đích tối ưu hóa cho các bản vẽ kỹ thuật. Với đặc tính chắc chắn và giá thành hợp lý, loại nhôm này được rất nhiều nhà sản xuất lựa chọn. Đây là loại nhôm thường được sử dụng trong các dự án yêu cầu tính chính xác cao, chịu lực tốt và độ bền vượt trội.
Nhôm định hình 60×60 là lựa chọn tối ưu cho các thiết kế đòi hỏi độ chính xác cao và cần khả năng chịu tải lớn mà vẫn tiết kiệm chi phí.
5. Kích thước nhôm định hình 50×50
Nhôm định hình 50×50 có nhiều đặc điểm tương tự với nhôm 60×60, nhưng được thiết kế để thay thế trong những hệ thống yêu cầu tải trọng và độ cứng tương đối. Đây là lựa chọn tiết kiệm chi phí hơn cho các doanh nghiệp khi không cần sử dụng nhôm 60×60 mà vẫn đảm bảo được hiệu suất hoạt động.
Với sự linh hoạt và độ bền cao, nhôm định hình 50×50 được ưa chuộng trong nhiều ứng dụng công nghiệp.
6. Kích thước nhôm định hình 80×80
Nhôm định hình 80×80 là loại nhôm thường được nhập khẩu từ Đài Loan và Trung Quốc, được sử dụng rộng rãi trong các hệ thống khung lớn, yêu cầu chịu tải cao. Sự khác biệt giữa nhôm Đài Loan và nhôm Trung Quốc chủ yếu nằm ở giá thành, với nhôm Trung Quốc thường có giá rẻ hơn đôi chút.
Với khả năng chịu lực vượt trội, nhôm 80×80 là lựa chọn hàng đầu cho các dự án công nghiệp nặng, yêu cầu khung lớn và chắc chắn.
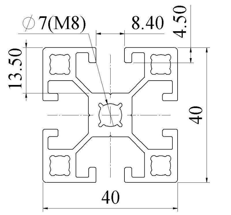
7. Kích thước nhôm định hình 45×45
Nhôm định hình 45×45 là loại nhôm đa dụng, có thể thay thế cho cả dòng 40×40 và 50×50. Loại nhôm này đáp ứng được nhiều nhu cầu khác nhau của hệ thống máy móc và băng tải, đồng thời vẫn đảm bảo tính ổn định và độ bền cao.
Với khả năng linh hoạt trong ứng dụng, nhôm định hình 45×45 là sự lựa chọn tốt khi bạn cần một vật liệu thay thế cho các dòng nhôm khác.
8. Kích thước nhôm định hình 50×100
Nhôm định hình 50×100 thường được sử dụng cho các hệ thống khung đế băng tải và máy móc chịu mài mòn cao. Với thiết kế chắc chắn, loại nhôm này giúp giảm thiểu độ rung lắc và đảm bảo hệ thống máy móc hoạt động êm ái.
Đây là loại nhôm lý tưởng cho các hệ thống yêu cầu khung đế chắc chắn và độ bền cao trong suốt quá trình hoạt động.
9.Kích thước nhôm định hình 10×10
Nhôm định hình 10×10 là loại nhôm mini, với kích thước nhỏ gọn và dễ thao tác. Mặc dù có kích thước nhỏ nhưng loại nhôm này vẫn đảm bảo độ cứng và độ dẻo cần thiết cho các hệ thống máy móc nhỏ gọn.
Loại nhôm này được ứng dụng rộng rãi trong các hệ thống cơ khí và máy móc mini, nơi cần sự linh hoạt trong lắp đặt.
Xem thêm: Đơn vị cung cấp nhôm mặt dựng hệ 65 uy tín, đạt tiêu chuẩn Châu Âu - FRAVI Việt Nam
III. Ứng dụng của các kích thước nhôm định hình trong công nghiệp

Nhôm định hình với các kích thước đa dạng được ứng dụng rộng rãi trong nhiều ngành công nghiệp khác nhau. Tùy thuộc vào yêu cầu cụ thể, nhôm định hình có thể được sử dụng trong các lĩnh vực sau:
1. Khung băng tải, hệ thống máy móc
Nhôm định hình được sử dụng phổ biến trong việc chế tạo khung băng tải và hệ thống máy móc, nhờ vào khả năng chịu lực tốt và độ bền cao. Các loại nhôm như 20×40, 40×80, 50×100 đều phù hợp với các hệ thống băng tải công nghiệp, giúp đảm bảo tính ổn định và an toàn trong suốt quá trình vận hành.
2. Sản xuất khung cửa lưới, khung chịu lực
Nhôm định hình 20×20 và 45×45 thường được ứng dụng trong sản xuất khung cửa lưới hoặc các khung chịu lực cho hệ thống công nghiệp nhẹ. Nhờ vào khả năng chịu tải tương đối, các loại nhôm này giúp tăng cường độ cứng và đảm bảo an toàn cho các hệ thống nhỏ gọn.
3. Độ bền cao, khả năng chống mài mòn trong các hệ thống tự động hóa
Nhôm định hình với các kích thước như 50×100, 80×80 thường được sử dụng trong các hệ thống tự động hóa, nơi yêu cầu độ bền cao và khả năng chống mài mòn. Những loại nhôm này không chỉ đảm bảo hệ thống vận hành ổn định mà còn kéo dài tuổi thọ của các máy móc liên quan.
Xem thêm: Nhôm định hình 40x80 – Sản phẩm quan trọng trong nhiều lĩnh vực công nghiệp và xây dựng
IV. Lưu ý khi lựa chọn kích thước nhôm định hình

Khi lựa chọn kích thước nhôm định hình cho dự án, cần lưu ý đến các yếu tố sau:
-
Cần xác định yêu cầu tải trọng và môi trường sử dụng: Việc lựa chọn kích thước nhôm cần dựa vào tải trọng yêu cầu của hệ thống cũng như môi trường hoạt động. Đối với các hệ thống chịu lực lớn, như khung máy móc công nghiệp, nên chọn các loại nhôm có kích thước lớn và khả năng chịu lực tốt như 40×80, 50×100. Ngược lại, với các hệ thống nhẹ, nhôm 20×20 hoặc 20×40 là đủ để đáp ứng yêu cầu.
-
Lựa chọn kích thước phù hợp để tối ưu hóa chi phí và độ bền: Việc chọn đúng kích thước nhôm không chỉ giúp tối ưu hóa chi phí sản xuất mà còn đảm bảo hiệu suất và độ bền của hệ thống. Không nên chọn kích thước quá lớn cho những hệ thống không yêu cầu chịu lực cao, vì điều này sẽ làm tăng chi phí không cần thiết.
V. FRAVI - Cung cấp đa dạng các loại kích thước nhôm định hình chất lượng
FRAVI là đơn vị hàng đầu cung cấp các loại nhôm định hình với nhiều kích thước đa dạng, đảm bảo chất lượng cao và giá cả cạnh tranh. Chúng tôi cam kết mang đến cho khách hàng những sản phẩm đạt tiêu chuẩn quốc tế, được nhập khẩu từ các nhà sản xuất uy tín.
Với đội ngũ tư vấn chuyên nghiệp và dịch vụ hỗ trợ kỹ thuật tận tình, FRAVI luôn sẵn sàng đáp ứng mọi yêu cầu của khách hàng, giúp tối ưu hóa quá trình sản xuất và nâng cao hiệu suất làm việc. Liên hệ ngay để được tư vấn và hướng dẫn mua hàng một cách cụ thể và chi tiết nhé.
- Hotline: 1900 066 626
- Zalo: 093 608 29 69
- Website: https://fravi.com.vn/
- Nhà máy: Số 55 Đ. Phạm Ngũ Lão, Phùng Chí Kiên, Mỹ Hào, Hưng Yên.
Lời kết
Việc lựa chọn đúng kích thước nhôm định hình không chỉ phụ thuộc vào yêu cầu cụ thể của hệ thống mà còn giúp tối ưu hóa chi phí và hiệu suất hoạt động. Các loại nhôm định hình như 20×20, 40×80, hay 50×100 tại FRAVI đều có những ưu điểm và ứng dụng riêng biệt, từ khung máy nhỏ chịu tải nhẹ cho đến hệ thống khung băng tải công nghiệp lớn. Với sự phát triển của công nghệ, nhôm định hình ngày càng được ưa chuộng nhờ tính linh hoạt, dễ gia công và khả năng chịu lực tốt. Không những thế, các dịch vụ hỗ trợ như cắt theo yêu cầu và giao hàng tận nơi cũng góp phần giúp cho việc sử dụng nhôm định hình trở nên dễ dàng và thuận tiện hơn, đáp ứng được mọi nhu cầu trong các lĩnh vực sản xuất công nghiệp hiện đại.